Skip to main content Skip to search Skip to main navigation
Holley 19-250-1 - Holley Easy Level. Fuel Level Sender

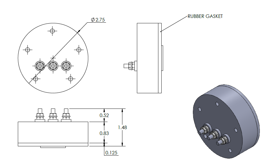
Our all-new Holley Easy Level(TM) sender uses LiDAR technology to precisely measure the depth of fuel remaining in your tank and works with all Classic Instruments' fuel gauges, including short-sweep, full-sweep, and selectable ohm range fuel gauges. It also works with many other gauge brands. This model is compatible with tanks ranging from 4-to-39-inches. Setup is a breeze with the on-board buttons. Easily set empty and full tank positions, with reserve, right on your workbench before installing and then set the empty, half, and full positions on the gauge. The desired dampening rate is adjusted with dip switches right on the unit to reduce fuel slosh and gauge bounce by adjusting how fast or slow the gauge reacts to the fuel level change. Plus the necessary screws and gasket for installation are included. Upgrade Classic Instruments' or other brands' gauge sets to capture the benefits of LiDAR, "laser imaging, detection, and ranging" technology. This exciting and innovative automotive application replaces vulnerable moving parts with a hi-tech laser; technology that has been used successfully in other applications for many years. An instruction sheet is included for Classic Instruments and other standard gauges. See additional instruction sheet below for AutoMeter applications. Besides the problems encountered with float setup, hitting baffles or tank wall, this eliminates having to set up the float type sender so saves time and effort. Max operating temperature of 185 degrees

  • "Best Engineered New Product" Winner at the 2023 SEMA Show
  • Quickly reads fuel levels with zero contact
  • Easy installation with no moving parts - popular 5 bolt flange
  • Long life sensor and no failing floats
  • Easy to program the level of any tank and electronic gauge - does not work with OE style gauges that utilize an ohm only input
  • Bolt Circle Diameter (BCD) is 2.122"
  • Output is a PWM signal for 12 Volt applications (10 volts to 20 volts maximum)
  • Includes mounting hardware and rubber gasket
  • The 19-250-1 replaces the 119-250 with an improved design with flying leads for easy wiring and prevents accidental contact with surfaces above sending unit.
Available downloads:
Download instructions

0 of 0 reviews

Average rating of 0 out of 5 stars

Leave a review!

Share your experiences with other customers.


There are no installation notes for this product.

Holley 19-250-1 - Holley Easy Level. Fuel Level Sender

Our all-new Holley Easy Level(TM) sender uses LiDAR technology to precisely measure the depth of fuel remaining in your tank and works with all Classic Instruments' fuel gauges, including short-sweep, full-sweep, and selectable ohm range fuel gauges. It also works with many other gauge brands. This model is compatible with tanks ranging from 4-to-39-inches. Setup is a breeze with the on-board buttons. Easily set empty and full tank positions, with reserve, right on your workbench before installing and then set the empty, half, and full positions on the gauge. The desired dampening rate is adjusted with dip switches right on the unit to reduce fuel slosh and gauge bounce by adjusting how fast or slow the gauge reacts to the fuel level change. Plus the necessary screws and gasket for installation are included. Upgrade Classic Instruments' or other brands' gauge sets to capture the benefits of LiDAR, "laser imaging, detection, and ranging" technology. This exciting and innovative automotive application replaces vulnerable moving parts with a hi-tech laser; technology that has been used successfully in other applications for many years. An instruction sheet is included for Classic Instruments and other standard gauges. See additional instruction sheet below for AutoMeter applications. Besides the problems encountered with float setup, hitting baffles or tank wall, this eliminates having to set up the float type sender so saves time and effort. Max operating temperature of 185 degrees

  • "Best Engineered New Product" Winner at the 2023 SEMA Show
  • Quickly reads fuel levels with zero contact
  • Easy installation with no moving parts - popular 5 bolt flange
  • Long life sensor and no failing floats
  • Easy to program the level of any tank and electronic gauge - does not work with OE style gauges that utilize an ohm only input
  • Bolt Circle Diameter (BCD) is 2.122"
  • Output is a PWM signal for 12 Volt applications (10 volts to 20 volts maximum)
  • Includes mounting hardware and rubber gasket
  • The 19-250-1 replaces the 119-250 with an improved design with flying leads for easy wiring and prevents accidental contact with surfaces above sending unit.

Available downloads:
Download instructions

0 of 0 reviews

Average rating of 0 out of 5 stars

Leave a review!

Share your experiences with other customers.


There are no installation notes for this product.

European
Holley Dealer

To Holley

Last viewed

Holley

Holley® has been the undisputed leader in fuel systems for over 100 years. Holley carburetors powered every Monster Energy NASCAR® Cup team and nearly every NHRA® Pro–Stock champion for four decades. Now, Holley EFI products power these cars and are dominating the performance world. Holley products for GM's popular LS engine are dominating the LS scene as well. Holley's products also include performance fuel pumps, intake manifolds & engine dress–up products for street performance, race and marine applications. As a single solution, or partnered with products from other Holley companies we can give you the edge you need over the competition!